Pisoáre sú obľúbenou voľbou najmä pre verejné hygienické zariadenia.
V týchto priestoroch sa jednoznačne kladie dôraz na stabilitu a dlhodobo spoľahlivú funkciu toalety.
Preto je dôležité nielen vybrať kvalitné pisoáre, ale aj zabezpečiť ich správne funkčné zázemie v podobe montážneho prvku.
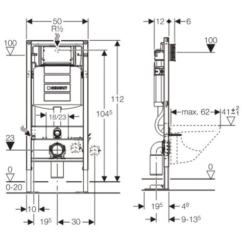
Montážny prvok Duofix je určený na ovládanie splachovania pisoárov Geberit novších ako z roku 2009.
Je vhodný na inštaláciu do čiastočne vysokých inštalácií alebo inštalácií s vysokou výškou priečky v miestnosti.
Duofix je najlepšou voľbou pre váš projekt, pretože je od základu vybavený všetkým potrebným pre bezproblémový chod toalety.
Samonosný rám stojí na nastaviteľných podperách s protišmykovou úpravou a obsahuje univerzálny splachovací box na ovládanie splachovania pisoára.
K dispozícii je aj svorka na pripojenie elektriny, predmontovaný uzatvárací ventil s ovládaním, chránič na splachovanie potrubia a splachovacia hadica.
Bez ohľadu na výšku pisoára sa mu montážny prvok prispôsobí.
Vlastnosti produktu:
- Pre kovové a drevené stĺpikové steny
- Pre systémové steny Geberit Duofix
- Na montáž do čelných stien čiastočne vysokých alebo vysokých na výšku miestnosti
- Na montáž do deliacich stien, vysokých na výšku miestnosti
- Na hrúbky podlahy 0-25 cm
- Na inštaláciu ovládania pisoárov Geberit
- Na montáž pisoárov typový rad 2025
- Staticky samonosný rám, chránený proti korózii práškovým poťahom
- S výsuvnou doskou na bočné upevnenie nad montážnym prvkom na kovové alebo drevené profily alebo na systémové stojky Geberit Duofix
- Alternatívna montážna poloha pre nástenné kotvy
- Pätné dosky je možné otáčať, vhodné na montáž do U profilov UW 50 a UW 75
- Pätné dosky je možné inštalovať do systémovej lišty Geberit Duofix bez náradia, bez ďalších komponentov
- Pozinkované podpery, chránené proti korózii, s protišmykovými vlastnosťami
- Výška prvku prispôsobiteľná pisoáru, 112-130 cm
- Univerzálna krabica pod omietku na ovládanie splachovania pisoárov Geberit
- Svorka na pripojenie elektriny pre prívod elektriny v krabici pod omietku
- Prívod vody vpravo na krabici pod omietku
- Prívod vody vhodný pre MasterFix a MeplaFix
- Nástenka na montáž bez náradia
- Predinštalovaný uzatvárací ventil s reguláciou
- So zabudovanou rúrkovou chráničkou na vyplachovanie potrubia
- Kryt servisného otvoru za pisoárom
- Kryt na hrubú montáž pre servisný otvor 10,5 x 10,5 cm s možnosťou skrátenia bez náradia
- Ohýbateľná prívodná hadica s vedením a zabudovaným spätným ventilom
- Vybavený rúrkovou chráničkou na pripojenie senzora k zápachovej uzávierke ovládania splachovania pisoárov
- Upevnenie pre prívod Ø 32 mm výškovo nastaviteľné
- Upevnenie na pripojovacie koleno výškovo nastaviteľné a zvukovo izolované
- Upevnenie pisoárov M8, nastaviteľné na šírku a výšku
- Priečne nosníky s označením stredu, nastaviteľné bez náradia
- Dodatočné upevnenie pre pisoár s príslušenstvom možné
- S príslušenstvom prestaviteľné na pisoáre s ostrekovacou hlavicou
Technické údaje:
- Tlak pri prietoku 100-800 kPa
- Skúšobný tlak vody max. 1600 kPa
- Skúšobný tlak vzduch / inertný plyn max. 300 kPa
- Teplota vody max. 30 °C
- Prietok pri tlaku 1 bar bez obmedzovača prietoku 0.3 l/s
- Prietok pri tlaku 1 bar s obmedzovačom prietoku 0.2 l/s
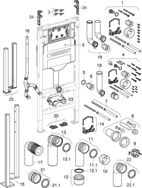
Súčasťou dodávky:
- Inštalačný univerzálny prvok Duofix pre pisoár, na skryté ovládanie splachovania pisoárov Basic
- Montážny prvok pre pisoár Geberit Duofix / 112-130 cm / max. 1600 kPa / modrý
- Nástenná doska R 1/2"
- Kryt pre hrubú montáž s vekom
- Spojovacia rúrka medzi prívodom ø 32 mm a pisoárom, s tesnením na pisoári
- Ochranná zátka
- Pripojovacie koleno z PE-HD, ø 63 / 50 mm
- Ochranné viečko
- Tesnenie ø 57 / 50 mm
- Zápachová zátka pre pisoár ø 50 mm, s tesnením pre pisoár
- 2 závitové tyče M8
- Upevňovací materiál

Návod na inštaláciu: Inštalácia systému Geberit do steny 2x6
