Elektromerové rozvádzače tvoria akúsi vstupnú bránu prívodných káblov do našich domov, bytov, ale aj priemyselných či iných objektov.
Používame cookies, aby náš e-shop fungoval rovnako spoľahlivo ako dobre zapojený rozvádzač. Vďaka nim ti vieme ukázať aj personalizované reklamy a produkty, ktoré ťa naozaj zaujímajú. Používame cookies aby sme Vám umožnili pohodlné prehliadanie nášho webu a vďaka analýze prevádzky webu neustále zlepšovali jeho funkcie, výkon a použiteľnosť.
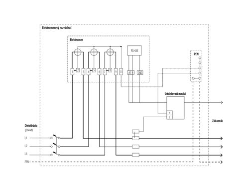
Funkcia a účel elektromerových rozvádzačov
Elektromerové rozvádzače slúžia na uloženie elektromera, hlavného ističa a ďalšieho príslušenstva.
Osadené sú elektromerom a hlavným ističom, prípadne modulom spínajúcim spotrebiče využívajúce tzv. nočný prúd.
Z dôvodu zabezpečenia jednoduchého odpočtu majú elektromerové rozvádzače prednú stranu vybavenú priehľadným okienkom.

Typy elektromerových rozvádzačov podľa montáže
Elektromerové rozvádzače sa umiestňujú na hranicu pozemku, podľa typu montáže ich máme rozdelené na zapustenie (vhodné do steny), pilierové (určené pre montáž do zeme), nástenné a s montážou na múrik.
Špecifikácie a vlastnosti produktov SFOS
Elektromerové rozvádzače SFOS pre Vás vyrábame a neustále zdokonaľujeme už 30 rokov. Na všetky máte od nás dopravu zadarmo!
Elektromerové rozvádzače SFOS sa líšia aj výpletom vodičov /tj. max. prúdom).
Na rozdiel od konkurencie nepoužívame pre elektromerové skrine lacné radové, ale robustné mosadzné svorky. Svorky sú navyše pevné a robustné. Znesú až 100A pri 25mm2 vodiči, takže do budúcna máte v prípade potreby veľkú výkonovú rezervu. Takisto používame robustnejšie plombovacie skrutky krytov (veľkosti M5 namiesto M3).
Každý rozvádzač po vyrobení otestujeme a vystavíme mu protokol o kusovej skúške.
Základy rozvádzača
Dostupné varianty
Ponúkame rôzne typy elektromerových rozvádzačov, ktoré sú prispôsobené špecifickým potrebám:
- Elektromerový rozvádzač, trojfázový, jednotarif, povrchový.
- Elektromerový rozvádzač, trojfázový, dvojtarif, povrchový.
- Elektromerový rozvádzač, trojfázový, dvojtarif, zapustený.
- Elektromerový rozvádzač so zemným dielom, trojfázový, jednotarif.
- Elektromerový rozvádzač so zemným dielom, trojfázový, dvojtarif.
Alebo potrebujete elektromerový rozvádzač, aký nemáme v ponuke?

tags: #elektromerovy #rozvadzac #prsy