Elektromerové rozvádzače sú kľúčovou súčasťou každej elektrickej inštalácie, zabezpečujú meranie spotreby elektrickej energie a ochranu obvodov. V posledných rokoch sa čoraz väčšej obľube tešia nerezové prevedenia, ktoré ponúkajú nielen estetický vzhľad, ale aj vynikajúcu odolnosť voči korózii a poveternostným vplyvom.
Certifikované rozvádzače pre moderné siete
Pri výbere elektromerového rozvádzača je nevyhnutné dbať na jeho certifikáciu podľa platných noriem. Norma z roku 2025 prináša nové požiadavky, na ktoré musia byť rozvádzače pripravené.
Typy certifikovaných rozvádzačov:
- Certifikovaný nástenný rozvádzač pre ZSD a VSD (norma 2025). Montáž na stenu alebo do múrika.
- Certifikovaný pilierový rozvádzač pre ZSD a VSD (nová norma od 1.1.2025). Pripravený pre fotovoltiku (FVE) a dvojtarif, obsahuje povinný vypínací prvok na vývode.
- Certifikovaný zapustený rozvádzač (Z L) pre oblasť Stredoslovenská distribučná (SSD). Určený na zamurovanie, pre jednotarifné meranie (1T).
- Certifikovaný jednofázový elektromerový rozvádzač (1F) pre oblasť Stredoslovenská distribučná (SSD). Nástenné prevedenie (P L) pre jednotarifné meranie.
- Certifikovaný nástenný rozvádzač (šírka 26 cm) pre ZSD a VSD (norma 2025). Jednotarif (1T), FVE ready s povinným vypínačom. UV ochrana, plné dvere.
- Certifikovaný nástenný elektromerový rozvádzač pre jedného odberateľa (1T - Jednotarif).
- Certifikovaný pilierový rozvádzač (šírka 26 cm) pre ZSD a VSD (norma 2025). Jednotarif (1T), FVE ready s povinným vypínačom. UV ochrana, plné dvere.
- Certifikovaný jednofázový rozvádzač (1F) pre ZSD a VSD (norma 2025). Nástenný, kompaktný rozmer (26x40 cm).
- Certifikovaný zapustený rozvádzač pre ZSD a VSD (norma 2025). Určený na zamurovanie. Pripravený pre fotovoltiku (FVE) a dvojtarif (2T), obsahuje povinný vypínač na vývode.
- Certifikovaný elektromerový rozvádzač (skriňa) pre oblasť Stredoslovenská distribučná (SSD). Určený pre zapustenú montáž (do fasády/múru) s krycím rámikom.
- Certifikovaný elektromerový rozvádzač (skriňa) pre oblasť Stredoslovenská distribučná (SSD). Určený pre montáž do výklenku (murovaného plota) alebo na stenu.

Možnosti úprav a využitia
Niektoré stavebné rozvádzače po malých úpravách možné použiť na elektromerový rozvádzač. Tieto rozvádzače často ponúkajú výstup na 400V aj 230V a prípravu pre umiestnenie elektromera s hlavným ističom.
Predám nový stavebný rozvádzač s prúdovým chráničom a jednoduchým montážom. Predám stavebný rozvádzač po malých úpravách možné použiť na elektromerový rozvádzač. Výstup na 400V aj 230V, príprava pre umiestnenie elektromera s hlavným ističom, tak ako na foto. Cena 70€.
Predám elektromerový rozvádzač vhodný na podružné meranie, alebo dočasnú prípojku s možnosťou montovať na betónový stĺp.
Elektromerový rozvádzač trojfázový vrát.istič 25/3 a prúd.ch.

Dôležité informácie k nákupu
Pri nákupe online je potrebné venovať pozornosť špecifickým podmienkam predajcov. Napríklad, zľavy môžu platiť iba na vybrané produkty, na sklade, do vypredania zásob a nemusia byť kombinovateľné s inými zľavovými kódmi. Ponuky často platia do konkrétneho dátumu a sú určené pre firemných zákazníkov alebo jednotlivcov, s obmedzením na jedno použitie na zákazníka.
Používame súbory cookie, aby sme vám umožnili pohodlné prehliadanie webovej stránky a vďaka analýze neustále zlepšovali jej funkcie, výkon a použiteľnosť.
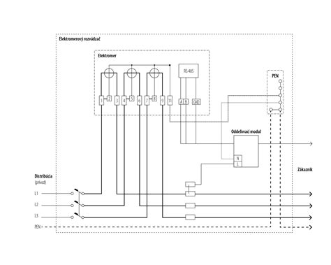
Zapojenie rozvádzača
Nerezové elektromerové rozvádzače sú moderným a spoľahlivým riešením pre meranie a distribúciu elektrickej energie, spĺňajúce najnovšie technické normy.
tags: #elektromerovy #rozvadzac #nerezovy