Staviate dom, prerábate ho, alebo meníte elektroinštaláciu či strešnú elektrickú prípojku? V každom z týchto prípadov budete potrebovať nový elektromerový rozvádzač. Tento článok vám poskytne komplexný sprievodca výberom a montážou elektromerového rozvádzača.

Čo je elektromerový rozvádzač a prečo si ho nemôžete poskladať na kolene
Elektromerový rozvádzač, často nazývaný aj „skrinka na hodiny“, je kľúčovou súčasťou vašej elektrickej prípojky. Jeho hlavnou funkciou je merať spotrebu elektrickej energie a ochrániť hlavný prívod. Je to dôležitý prvok, ktorý by ste nemali podceňovať a už vôbec si ho neskladajte „na kolene“. Elektromer a hlavný istič sú plombované časti a akékoľvek neoprávnené zásahy do nich vám môžu priniesť sankcie od distribútora elektriny. Navyše, nesprávna montáž môže viesť k vážnym nebezpečenstvám, vrátane úrazu elektrickým prúdom, ktorý môže byť aj smrteľný.
Sami do elektromera a hlavného ističa nezasahujte.
Elektromerový rozvádzač musí spĺňať prísne požiadavky platných technických noriem (STN) a distribučnej spoločnosti. Po inštalácii musí prejsť odbornými skúškami a výrobca musí k nemu vydať vyhlásenie o zhode a protokol o kusovej skúške. Bezpečnosť je na prvom mieste, preto je neodporúčané riskovať a zhotovovať si vlastnú elektrickú skrinku bez potrebných znalostí a certifikácií.
Čo distribučná spoločnosť, to iná skrinka na elektromer
Na Slovensku pôsobí viacero distribučných spoločností elektriny (napr. Západoslovenská energetika, Stredoslovenská distribučná, Východoslovenská distribučná), pričom každá z nich má špecifické požiadavky na usporiadanie a zapojenie elektromerového rozvádzača. Preto je nevyhnutné zistiť si, ktorá distribučná spoločnosť pôsobí vo vašej oblasti, aby ste mohli vybrať správny typ rozvádzača.

Ako teda vybrať správnu skrinku na elektromer?
Proces začína podaním žiadosti na stránke vašej distribučnej spoločnosti, kde uvediete požadované parametre prípojky. Následne obdržíte Návrh zmluvy o pripojení a budete si musieť nechať vypracovať projektovú dokumentáciu k elektrickej prípojke. Po schválení projektovej dokumentácie a podpísaní zmluvy o pripojení nasleduje úhrada poplatku a samotná príprava odberného miesta, ktorá zahŕňa výkopové práce, uloženie kábla a uzemnenie rozvádzača.
Skrinka na elektromer do plotu, do steny či pilierová? Hlavne na hranici pozemku
Umiestnenie elektromerového rozvádzača schvaľuje distribučná spoločnosť v rámci projektu. Skrinka musí byť umiestnená na hranici pozemku, na verejne prístupnom mieste. Môžete si vybrať z rôznych typov montáže:
- Elektromerový rozvádzač na stenu, do steny alebo do plota: Ide o klasickú „kocku“, ktorá sa montuje na povrch steny, zapustí sa do nej alebo sa integruje do plota. Ak nie je zamurovaná, musí byť pripevnená na podstavec či konštrukciu.
- Pilierový elektromerový rozvádzač: Tento typ je určený na zahrabanie priamo do zeme bez potreby betónovania. Má špeciálny zemný diel v tvare U, ktorý zaisťuje jeho stabilitu. Je ideálny na miesta, kde ešte nie je postavený plot.
Pri výbere je dôležité zvážiť aj priestor pre káble. Niektoré rozvádzače majú káblový priestor vo forme dutého podstavca, iné sú bez dodatočných priestorov.

Elektromerové skrine - počet fáz a taríf
Pri výbere elektromerového rozvádzača je kľúčové zvoliť správny počet fáz a taríf:
- Počet fáz: Rozlišujeme jednofázové a trojfázové prípojky. Jednofázové sú typické pre malé objekty s nízkou spotrebou (chaty, garáže), zatiaľ čo trojfázové sa nachádzajú vo väčšine rodinných domov a iných väčších budovách.
- Počet taríf:
- Jednotarifné meranie: Vhodné tam, kde nepotrebujete využívať lacnejšiu elektrinu v nízkej sadzbe (napr. pri vykurovaní plynom alebo pevným palivom).
- Dvojtarifné meranie (dvojsadzbové): Umožňuje využívať lacnejšiu elektrinu v noci alebo počas časových okien cez víkendy. Je nevyhnutné pre elektrické vykurovanie (tepelné čerpadlá, elektrické kotly), nabíjanie elektromobilov a podobne. Na tento účel potrebujete dvojtarifný elektromer a elektromerový rozvádzač prispôsobený na dvojtarifné meranie (s priestorom pre modul HDO).
Odporúčame konzultovať využitie nočného prúdu s projektantom elektroinštalácie alebo elektrikárom.
Elektromerový rozvádzač pre 2 elektromery, 3 elektromery…
Niektoré aplikácie vyžadujú viacero elektromerov. Existujú rozvádzače určené pre:
- 1 elektromer: Najbežnejší typ pre rodinné domy a menšie objekty.
- 2 elektromery: Ideálne pre dvojdomy, garáže s viacerými nájomcami alebo dve odberné miesta blízko pri sebe. Ušetríte tým na nákladoch v porovnaní s dvoma samostatnými rozvádzačmi.
- 3 a viac elektromerov: Vhodné pre bytové domy, väčšie komplexy garáží či iné objekty s viacerými odberateľmi.

Hlavný istič musíte dokúpiť zvlášť… a pozor na max. prúd
Hlavný istič nie je štandardnou súčasťou väčšiny elektromerových rozvádzačov a musíte si ho dokúpiť samostatne. Jeho hodnota (amperáž) je stanovená v zmluve o pripojení distribučnou spoločnosťou a závisí od konkrétneho odberu elektriny vo vašej budove. Pre rodinné domy sa často používa trojfázový 25 A istič s charakteristikou B, ale pri väčšom odbere môže byť potrebný silnejší istič. Hlavný istič musí byť plombovateľný vo vypnutom stave.
Pri výbere hlavného ističa je dôležité dodržať maximálny prúd, ktorý znesú vodiče a samotný rozvádzač. Taktiež je potrebné zvoliť správny prierez (hrúbku) prívodných káblov na základe menovitého prúdu ističa.
Najlepšie elektromerové rozvádzače: Recenzie a porovnanie
Na trhu nájdete elektromerové rozvádzače od rôznych výrobcov, pričom najčastejšie sa stretnete so slovenskými značkami ako SEZ Krompachy a SFOS Rimavská Sobota. Pri výbere zvážte nasledujúce parametre:
| Výrobca | Max. počet elektromerov | Počet fáz | Počet taríf | Montáž | Orientačná cena | Moje hodnotenie |
|---|---|---|---|---|---|---|
| SEZ Krompachy | 1 | 1 alebo 3 | Jednotarifný | Do steny, do plota, na stenu | 132,48 € | Ideálny pre malé objekty alebo domy bez elektrického vykurovania |
| SEZ Krompachy | 1 | 3 | Jednotarifný | Zahrabanie do zeme | 179,33 € | Jednoduchá montáž zahrabaním priamo do zeme bez betónovania. |
| SEZ Krompachy | 2 | 3 | Dvojtarifný | Do steny, do plota, na stenu | 149,95 € | Ideálny pre dvojdomy či dve odberné miesta pri sebe s elektrickým vykurovaním |
| SEZ Krompachy | 1 | 3 | Dvojtarifný | Zahrabanie do zeme | 225,50 € | Ideálny pre domy a budovy s elektrickým vykurovaním. |
| SFOS Rimavská Sobota | 1 | 1 | Jednotarifný | Do steny, do plota, na stenu | 132,88 € | Ideálny pre malé objekty alebo domy bez elektrického vykurovania |
| SFOS Rimavská Sobota | 1 | 3 | Jednotarifný | Zahrabanie do zeme | 185,07 € | Jednoduchá montáž zahrabaním priamo do zeme bez betónovania. |
| SFOS Rimavská Sobota | 1 | 3 | Jednotarifný | Do steny, do plota, na stenu | 141,74 € | Kvalitnejšie vyhotovenie, jednoduchšia montáž a servis než iné značky. |
Materiál väčšiny elektromerových rozvádzačov je tvrdený polyester (často spevnený sklolaminátom), ktorý je samozhášavý a odolný voči poveternostným vplyvom. Jediným drobným nedostatkom môže byť postupné objavenie tmavých škvŕn od slnečného žiarenia, ktoré však neovplyvňujú odolnosť materiálu.

Montáž elektromerového rozvádzača
Samotná montáž elektromerového rozvádzača je komplexný proces, ktorý by mal v ideálnom prípade vykonávať kvalifikovaný elektrikár. Zahŕňa:
- Príprava výkopu: Pre rozvádzače určené na zahrabanie do zeme je potrebné vykopať primeranú jamu (cca 80 cm hlbokú, 20-30 cm širokú).
- Uloženie káblov: Prívodný kábel (napr. AYKY) sa ukladá do chráničky pre ochranu pred mechanickým poškodením. Pri dvojtarifnom meraní sa ukladá aj druhý kábel.
- Uzemnenie: Elektromerový rozvádzač musí byť riadne uzemnený pomocou uzemňovacej pásoviny, ktorá sa tiež ukladá do výkopu.
- Výstražná fólia: Po uložení káblov a pred zasypaním výkopu sa kladie výstražná fólia signalizujúca uloženie elektrického kábla.
- Osadenie rozvádzača: Rozvádzač sa umiestni na určené miesto a pripojí sa k nemu prívodný kábel a uzemnenie.
- Zapojenie: Všetky vnútorné prepojenia, inštalácia ističov a elektromera vykoná elektrikár podľa schémy a požiadaviek distribučnej spoločnosti.
- Revízia: Po dokončení inštalácie je potrebné zabezpečiť revíziu elektrickej prípojky elektrikárom, ktorá sa následne predkladá distribučnej spoločnosti.
Tieto všetky úkony odporúčame zveriť do rúk elektrikárovi, ktorý Vám bude elektrickú prípojku realizovať/zapájať, dávať k nej revíziu, ktorú budete musieť doložiť elektrárňam.
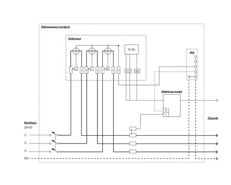
Zapojenie rozvádzača
Po úspešnom pripojení k distribučnej sieti vám už zostáva len posledný krok - výber dodávateľa elektrickej energie.
tags: #elektromerovy #rozvadzac #montaz