Primárnou funkciou strechy je ochrana stavby pred poveternostnými vplyvmi. Zejména hromadění vody na střeše může být později příčinou mnoha poruch plochých střech. Patří mezi ně zamrzání vody v mikrotrhlinách různých materiálů, vzlínání vody za lemy oplechování nebo usazování nečistot a růst mikroorganismů ve vodě zůstávající na povrchu střešního pláště vlivem deformací podkladních vrstev.
Pre dokonalú funkciu střešního pláště je preto veľmi důležité zabezpečiť čo možná najrýchlejší odvod zrážkovej vody z jeho povrchu. Je pritom nutné dbať na dodržiavanie správnych zásad navrhovania plochých striech i zásad bezchybnej aplikácie. K nim patrí predovšetkým zabezpečenie optimálnych spádov v ploche strechy a správna dimenzia i voľba odtokového systému.
Podtlakový systém Geberit Pluvia pracuje ďaleko efektívnejším spôsobom a radí sa k najkvalitnejším systémom odvodnenia plochých striech. Pri slabých zrážkach pracuje Geberit Pluvia ako gravitačný systém. Vo chvíli, keď hladina dažďovej vody dosiahne patričnej úrovne vtoku, zabráni nasávaniu vzduchu, čím dôjde k úplnému zaplneniu potrubia. V potrubí vzniká vodný piest, ktorý svojou váhou vytvorí podtlak.
Systém Geberit Pluvia umožňuje dosiahnuť rovnakú rýchlosť odvodnenia ako gravitačný spôsob, ale s menším počtom strešných vtokov. Celý odvodňovací systém je možné okrem toho napojiť na kanalizáciu pomocou užších rúrok a nižšieho počtu zvislého potrubia, tvaroviek a spojov. Montáž si preto vyžiada menší rozsah stavebných prác. Ležaté potrubie môže byť navyše inštalované s nulovým spádom, a preto je možné vytvárať veľmi dlhé potrubné úseky. To šetrí celkové náklady a priestor a poskytuje architektom a projektantom viac voľnosti pri projektovaní.
Týmto spôsobom systém funguje: keď prší, preniká voda do strešných vtokov Geberit Pluvia. Tie sú na streche rozmiestnené takým spôsobom, aby každý vtok pojal vodu z čo najväčšej plochy. Funkčná doska bráni nasatiu vzduchu do systému a zaručuje tak jeho spoľahlivú a efektívnu funkčnosť.
Voda je následne zvádaná pomerne skromne dimenzovanými rúrkami, položenými vodorovne pod strechou k hlavnému stúpaciemu potrubiu. K jednej vetve stúpacieho potrubia je možné pripojiť niekoľko strešných vtokov Pluvia. Pretože majú rúrky malé rozmery, dôjde počas silného dažďa k ich rýchlemu zaplneniu vodou a vytvoreniu uzavretého vodného stĺpca. V momente, keď voda dosiahne ku stúpaciemu potrubiu, je efekt odsávania na svojom maxime. Voda na streche je nasávaná do vtokov a rýchlo odvádzaná smerom dole do kanalizačného potrubia.
Vysoký výkon systému, malé priemery potrubia a vedenie ležatého potrubia s nulovým spádom navyše znižujú potrebu zvislých odpadov nutných pre odvodnenie strechy o rovnakej ploche. Projektant sa môže napojiť na ležatú kanalizáciu v najvhodnejšom mieste, a to vedie nielen k úspore samotného potrubia a vtokov, ale tiež zemných a inštalačných prác. Zanedbateľný nie je ani fakt menšieho počtu prienikov strešným plášťom. Uľahčený je tak priebeh pokrývačských prác, údržba strechy i riziká spojené s vykonávaním detailov.
Navyše vysoká rýchlosť prúdenia vody v potrubí spôsobuje efekt samočistenia, a preto nie je nutné robiť kontroly tak často.

Vďaka širokému sortimentu trubiek a tvaroviek je tiež uľahčený hydraulický výpočet odtoku dažďových vôd, ktorý môže obsahovať rad variant. Široký sortiment vtokov umožňuje použitie do rôznych typov strešných konštrukcií a žľabov. Ucelená je aj škála izolačných límcov a navarovacích plechov. Konštrukcia strešných vtokov komfortne rieši tiež kvalitné napojenie parozábrany a opomenutá nie je ani možnosť vyhrievania systému.
Pre dlhodobo bezproblémovú funkciu systému je veľmi dôležité zabezpečiť jeho stabilnú polohu v súvrství strechy. Pri napĺňaní systému vodou a vzniku podtlaku totiž dochádza k početným vibráciám, ktoré je nutné eliminovať. Na tento účel disponuje Geberit Pluvia vlastným upevňovacím systémom, ktorý vibrácie minimalizuje a bráni ich prenosu ako do strešnej, tak aj stropnej konštrukcie.
K celkovej vysokej spoľahlivosti systému prispieva tiež bezpečné a tesné spájanie trubiek a tvaroviek zváraním na tupo alebo s pomocou elektrotvaroviek. Po zvarení je spoj ihneď tesný a plne funkčný.
Veľká pozornosť bola pri výrobe systému Geberit Pluvia venovaná voľbe materiálu. Je ním vysokohustotný ekologický polyetylén - HDPE. Ten dobre odoláva UV žiareniu, dynamickému zaťaženiu a tiež vysokým i nízkym teplotám ovzdušia (až do -40°C). Montáž systému je pritom možná aj pri teplotách pohybujúcich sa pod bodom mrazu.
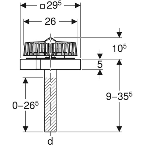
Najčastejšie používané strešné vtoky Geberit Pluvia sú pomenované podľa svojej hydraulickej kapacity 12 litrov a 25 litrov za sekundu. V krajinách s výskytom silných zrážok sú ponúkané strešné vtoky s prietokovou kapacitou až 100 litrov za sekundu. S novými 12-litrovými a 25-litrovými strešnými vtokmi sa nielen pohodlnejšie manipuluje, ale vďaka ich kompaktnejšej konštrukcii sa tiež podstatne ľahšie inštalujú. Pre spoľahlivejšiu montáž do striech s vysokou hrúbkou izolácie sú vtoky novo vybavené mimoriadne dlhými PE hrdlami. Niekoľko častí oboch vtokov má identickú konštrukciu - napríklad izoláciu proti orosovaniu, ochranný kryt alebo funkčnú dosku.
Střešní vtoky Geberit Pluvia existujú nielen v niekoľkých veľkostiach, ale tiež v rôznych typoch prevedení vhodných pre rôzne strešné konštrukcie. Výsledkom je vždy perfektne utesnený systém s dlhou životnosťou. Sortiment strešných vtokov obsahuje modely určené pre izolované i neizolované strechy a tiež pre montáž do žľabov. Střešní vtoky Geberit Pluvia sú ponúkané vrátane izolácie proti orosovaniu.
Niektoré typy vtokov sú už z výroby pripravené pre hydroizolačné fólie alebo bitumenové izolácie. Súčasťou sortimentu sú tiež rôzne núdzové prepady.

Geberit patrí k priekopníkom podtlakového odvodnenia. Najstaršie systémy Geberit Pluvia boli úspešne použité už pred viac ako 40 rokmi. Geberit Pluvia sa osvedčil najmä pri odvodňovaní veľkoplošných striech, aké sa často vyskytujú pri priemyselných a logistických budovách, nákupných centrách a športových štadiónoch, letiskách, ale aj hoteloch a obytných budovách. Jedná sa o stavebné projekty, ktoré majú niekedy veľmi zložité strešné konštrukcie a vysoké požiadavky z hľadiska efektivity nákladov, konštrukčnej voľnosti a bezpečnosti.
Systém Geberit Pluvia je obľúbený u celej rady investorov. Od veľkých výrobných závodov cez obchodné centrá až po regionálne pôsobiace spoločnosti. Hovorí pre neho tiež tisíce aplikácií v mnohých krajinách Európy a viac ako 30 rokov skúseností s odvodnením strešných plášťov. V Českej republike môžeme vidieť systém Geberit Pluvia napr. vo výrobných halách automobilky Škoda auto alebo TPCA v Kolíne. Tento systém bol použitý pri výstavbe nákupných centier Tesco, OBI alebo Olympia. Multifunkčná O2 arena alebo správny komplex mobilného operátora T-Mobile ďalej dopĺňajú zoznam významných referencií z posledných rokov, na ktorých bol sofistikovaný podtlakový systém Geberit Pluvia použitý.
Geberit Test Facilities Pluvia System in action
Spoločnosť Geberit poskytuje prostredníctvom technických poradcov špecializujúcich sa na systém Pluvia odbornú radu a rozsiahle know-how. Pracovníci spoločnosti Geberit to samozrejme veľmi dobre vedia a sú preto pripravení poskytnúť informácie a technickú podporu ako projektantom a montážnym firmám, tak investorom, ktorí sa rozhodnú systém Geberit Pluvia použiť.
tags: #podtlakovy #system #geberit #pluvia