Montážne prvky Geberit Kombifix sú navrhované na ľahké zabudovanie do murovaných konštrukcií vo verejných priestoroch aj bežných domácnostiach. Oslavujú úspech po celom svete už vyše 30 rokov a existuje variant, špeciálne pripravený pre každý zo zariaďovacích predmetov. Inštalačný set Kombifix dodávame pripravený na montáž - rýchlu a intuitívnu.
Bezproblémová funkčnosť vašej toalety po dlhé roky používania je zaistená jedine zásluhou samonosného inštalačného prvku Geberit Kombifix.

Výhody a vlastnosti Geberit Kombifix
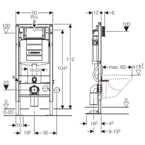
Montážny prvok je pripravený na výšku mazaniny pri vtoku 90 až 200 milimetrov. Je výškovo nastaviteľný. Nastaviteľná je aj výška vtoku zápachovej uzávierky a úroveň dotesnenia na napojenie bez pnutia. Pomocou Geberit Kombifix je možné vytvoriť kompletnú, staticky nosnú predstenovú inštaláciu, a to priamo vo vašej kúpeľni.
Montážny prvok Geberit Duofix pre závesné WC
Univerzálny a rýchlo použiteľný montážny prvok pre všetky riešenia v oblasti suchých procesov. Prispieva tiež podstatnou mierou k splneniu tých najvyšších nárokov na akustickú a protipožiarnu ochranu. Geberit Duofix je určený pre montáž do ľahkých sadrokartónových priečok alebo na inštaláciu pred masívnu stenu. Montáž prvku je mimoriadne rýchla za použitia len štyroch upevňovacích bodov.
Účel použitia:
- Pre konštrukcie vykonávané suchým procesom
- Na montáž do predstenových inštalácií čiastočne vysokých alebo vysokých na výšku miestnosti
- Na montáž do inštalačných stien vysokých na výšku miestnosti
- Na montáž do systémových stien Geberit Duofix čiastočne vysokých alebo vysokých na výšku miestnosti
- Pre závesné WC s pripojovacími rozmermi podľa EN 33: 2011
- Pre závesné WC s vyložením do 62 cm
- Pre 1 množstvo splachovanie, 2 množstvo splachovanie alebo splachovanie Start / Stop
- Pre hrúbky podlahy 0-20 cm
Vlastnosti:
- Samonosný rám s nanesenou práškovou farbou
- Rám s vŕtanými otvormi Ø 9 mm pre upevnenie do drevenej konštrukcie
- Rám pripravený pre podpery u WC keramik s malou opornou plochou
- Podpery pozinkované
- Nastaviteľné podpery 0-20 cm
- Podpery s protišmykovou úpravou pätnej dosky
- Otočné pätnej dosky
- Hĺbka pätnej dosky vhodná na montáž do U profilov UW 50 a UW 75 a do systémových profilov Geberit Duofix
- Pripojovacie koleno pre montáž bez náradia v rôznych hĺbkach, rozsah nastavenia 45 mm
- Upevnenie pripojovacieho kolena zvukovo izolované
- Splachovacia nádržka pod omietku s ovládaním spredu
- Splachovacia nádržka pod omietku izolovaná proti orosovaniu
- Pri nastavení z výroby je možné okamžité dodatočné spláchnutie
- Montážne a servisné práce na splachovacej nádržke pod omietku bez náradia
- Prívod vody vzadu alebo hore uprostred
- Kryt pre hrubú montáž pre servisný otvor chráni pred vlhkosťou a nečistotami
- Kryt pre hrubú montáž pre servisný otvor s možnosťou skrátenia
- Vybavený rúrkovou chráničkou pre prívodné potrubie na pripojenie sprchovacích WC Geberit AquaClean s možnosťou upevnenia pre prívod elektriny

Technické údaje:
Tlak pri prietoku: 10-1000 kPa
Maximálna teplota vody: 25 ° C
Splachovacie množstvo, nastavenie vo výrobe: 6 a 3 l
Veľké splachovacie množstvo, rozsah nastavenia: 4.5 / 6 / 7.5 l
Malé splachovacie množstvo, rozsah nastavenia: 3-4 l
Výpočtový prietok: 0.11 l / s
Minimálny pretlak pre výpočtový prietok: 50 kPa
Obsah dodávky:
- Prívod vody R 1/2 ", vhodný pre MF, s integrovaným rohovým ventilom a ručným ovládacím kolieskom
- Kryt pre hrubú montáž pre servisný otvor
- 2 ochranné zátky
- Pripojovacia súprava pre WC, Ø 90 mm
- Pripojovacie koleno 90 ° z PE-HD, Ø 90 mm
- Prechodka z PE-HD, Ø 90/110 mm
- 2 závitové tyče M12
- Upevňovací materiál
Geberit kombifix Sigma 8 cm - montážní návod
Príslušenstvo pre ešte väčší komfort
Protihluková sada pre závesné WC
Pre montáž keramiky so vzdialenosťou upevnenia 18 cm alebo 23 cm prerušuje prenos hluku pri WC a bidetu.
- Materiál: polyetylén-pena
- 1x zvukovoizolačné vložka
- 2x podložka
Závesný klozet ME by Starck, s hlbokým splachovaním a sedadlom SoftClose
- Rozmery: 370 x 570 mm
- Materiál: sanitárna keramika
- Objem splachovanie: 4,5 l
- Rimless bezokrajové prevedenie
- Zadný odpad
- Inštalácie: zavesením na stenu
- DuraFix sada pre skryté upevnenie toalety
- WC sedátko s funkciou pozvoľného sklápania SoftClose
- Odnímateľné, so závesmi z nerezovej ocele
- Materiál: plast, farba alpská biela
Ovládacie tlačidlo Sigma01, pre 2 množstvo splachovanie
Na ovládanie splachovania u splachovacích nádržiek Geberit Sigma.
- Ovládanie spredu
- Tyčky tlačidlá zvukovo izolované, rýchle nastavenie bez náradia
- Rozmery: 246 x 164 mm
- Materiál: plast
- Farba: matný chróm
- Ovládacia sila:

Špičkový výrobok s veľmi tichou prevádzkou. Flexibilný dizajn, rýchla a jednoduchá inštalácia. Tento kompletný set je dostupný aj v ďalších variantoch prevedení ovládacieho tlačidla.