Výber správneho kovania pre dvere je kľúčový nielen pre ich funkčnosť, ale aj pre celkový vzhľad interiéru. Keď sa však jedná o hrubšie dvere, výber sa stáva ešte dôležitejším, pretože štandardné kovanie nemusí byť vždy vhodné. Tento sprievodca vám pomôže pochopiť, ako prispôsobiť kovanie pre hrubšie dvere, aby ste zabezpečili ich spoľahlivú prevádzku a dlhú životnosť.
Kľúčové faktory pri výbere kovania pre hrubšie dvere
Pri výbere kovania pre hrubšie dvere je potrebné zohľadniť niekoľko špecifických faktorov, ktoré ovplyvňujú nielen montáž, ale aj celkovú funkčnosť a bezpečnosť.
Hrúbka dverí a jej vplyv na kovanie
Hrúbka dverí ovplyvňuje dĺžku štvorhranu a montážnych skrutiek. To znamená, že pre hrubšie dvere budete potrebovať dlhšie štvorhrany a špeciálne skrutky, ktoré zaistia pevné a bezpečné uchytenie kovania. Je dôležité, aby tieto komponenty boli dostatočne robustné, aby zvládli zvýšenú záťaž a hrúbku materiálu dverí.

Rozteč a typ zámku
Rozteč je vzdialenosť medzi osou kľučky a osou zámku. Najčastejšie hodnoty sú 72 mm alebo 90 mm. Pri výbere kovania je nevyhnutné zabezpečiť, aby rozteč zodpovedala vašim dverám a zámku. Nesprávna rozteč môže spôsobiť problémy s montážou a funkčnosťou.
Okrem rozteče je dôležité zvážiť aj typ zámku, ktorý bude s kovaním používaný. Rôzne typy zámkov môžu vyžadovať špecifické rozmery alebo úpravy kovania.
Povrchová úprava a dizajn
Kvalitné čierne kľučky s povrchovou úpravou určenou pre interiér sú odolné. Pri výbere kovania pre hrubšie dvere je dôležité dbať aj na kvalitu povrchovej úpravy. Tá nielenže ovplyvňuje vzhľad, ale aj odolnosť proti opotrebeniu a korózii. Pre hrubšie dvere, ktoré môžu byť ťažšie a viac namáhané, je kvalitná povrchová úprava nevyhnutná pre dlhodobú spokojnosť.
Dizajn áno, ale technicky musí sedieť rozteč, hrúbka dverí a typ zámku. Aj keď je dizajn dôležitý pre celkový estetický dojem, nemal by byť na úkor technickej kompatibility. Uistite sa, že zvolené kovanie nielenže vyzerá dobre, ale aj technicky zodpovedá špecifikáciám vašich hrubších dverí.

Typy kovaní a ich prispôsobenie
Existuje niekoľko typov kovaní, ktoré sa líšia svojou konštrukciou a určením. Pri hrubších dverách je dôležité zvoliť ten správny typ a prípadne ho prispôsobiť.
Štítové a rozetové kľučky
Štítová kľučka má kľučku aj otvor na zámok na jednom dlhom štíte. Tento typ kovania je často používaný a môže byť vhodný aj pre hrubšie dvere, pokiaľ sú dostupné v dostatočne robustnom prevedení s primeranou dĺžkou štvorhranu.
Rozetová kľučka má kľučku a otvor riešené samostatne. Rozetové kovanie ponúka väčšiu flexibilitu v dizajne, pričom každá rozeta má svoj vlastný účel. Pri výbere rozetového kovania pre hrubšie dvere je dôležité zvoliť rozety s dostatočnou hĺbkou a pevnosťou.
Kľučky bez spodnej rozety (s integrovaným uzamykaním)
Čo sú kľučky bez spodnej rozety? Ide o kľučky s integrovaným uzamykaním, kde je zámok priamo v tele kľučky. Tieto kľučky sú moderným riešením, ktoré šetrí miesto a ponúka čistý vzhľad. Pri ich použití s hrubšími dverami je dôležité overiť, či je mechanizmus uzamykania dostatočne robustný a či sa dá bez problémov namontovať na hrubší materiál dverí.
Sú to kľučky, ktoré nemajú spodnú rozetu. Uzamykanie je priamo v tele kľučky.

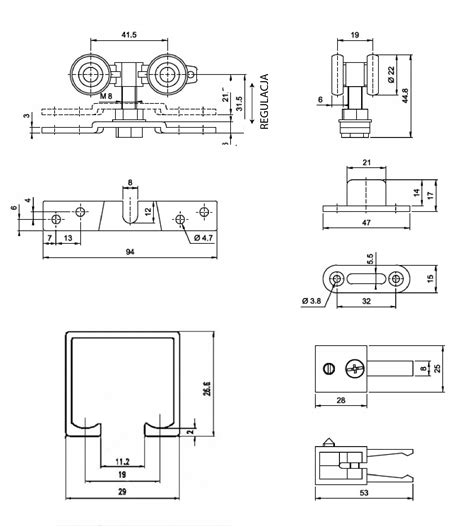
Kovanie pre posuvné dvere a jeho špecifiká
Posuvné dvere, najmä tie hrubšie alebo vyrobené z ťažších materiálov ako sklo, vyžadujú špeciálne kovanie, ktoré zabezpečí ich hladký a bezpečný chod.
Typy kovania pre posuvné dvere
Kvalitné kovanie výrazne ovplyvní celkový chod posuvných dverí. Pre hrubšie alebo ťažšie posuvné dvere je nevyhnutné zvoliť kovanie s vyššou nosnosťou a odolnejšími komponentmi.
- Jednoduché mechanizmy postačia pre bežné interiérové dvere, zatiaľ čo veľkoplošné alebo sklenené dvere potrebujú zosilnené vozíky a odolnejšie komponenty.
Kovanie na posuvné dvere sa líši podľa typu krídla, požadovanej nosnosti a dizajnových preferencií.
Komponenty kovania pre posuvné dvere
Kovanie na posuvné dvere tvorí viacero prvkov, ktoré spolu zabezpečujú plynulý, tichý a stabilný pohyb dverného krídla.
- Pojazdová koľajnica je základom celého systému. Musí byť dostatočne pevná, aby uniesla hmotnosť krídla a zároveň poskytovala hladký posuv bez vibrácií.
- Pojazdové vozíky prenášajú kompletnú váhu dverného krídla na koľajnicu. Kvalita koliesok priamo ovplyvní plynulosť pohybu, hlučnosť aj dlhodobú stabilitu. Pre hrubšie dvere sú potrebné robustnejšie vozíky.
- Upevňovacie profily a držiaky vytvárajú pevné spojenie medzi koľajnicou a nosnou plochou a zabezpečujú stabilitu celého systému.
- Tlmiace dorazy a spodné vedenie zabezpečujú kontrolovaný pohyb dverí bez prudkých nárazov.

Výber kovania podľa hmotnosti a veľkosti dverí
Výber správneho kovania závisí najmä od hmotnosti a veľkosti dverného krídla.
- Odhad hmotnosti dverí je zásadný pri výbere kovania, pretože každý systém má presne určenú nosnosť.
- Správna dĺžka koľajnice je kľúčová pre to, aby sa dvere mohli úplne odsunúť mimo otvoru.
- Pri výbere vozíkov je dôležité zohľadniť nielen maximálnu nosnosť, ale aj spôsob rozloženia hmotnosti.
- Stabilné uchytenie kovania rozhoduje o bezpečnom a bezproblémovom používaní posuvných dverí.
Každé kovanie má určenú maximálnu nosnosť, ktorú by dvere nemali prekročiť. Ak je systém preťažený, vznikajú vibrácie, nerovnomerný pohyb alebo poškodenie vozíkov či koľajnice.
Dizajnové kovania pre posuvné dvere
Tematické dizajnové kovanie (napr. dizajnové kovanie typu „barn“) ponúka nielen funkčný mechanizmus, ale aj výrazný vizuálny prvok, ktorý dokáže zmeniť charakter miestnosti. Toto kovanie je často masívne a jeho vzhľad je navrhnutý tak, aby dopĺňal špecifický štýl interiéru, ako je industriálny alebo loftový. Pri výbere takéhoto kovania pre hrubšie dvere je dôležité dbať na jeho dostatočnú pevnosť a nosnosť.
Kovanie na posuvné dvere môže byť nielen technickým prvkom, ale aj výraznou dizajnovou súčasťou interiéru.

Inštalácia a údržba
Správna inštalácia a pravidelná údržba sú kľúčové pre dlhodobú funkčnosť kovania, najmä pri hrubších dverách.
Montáž kovania
Montáž kovania ovplyvňuje celkovú funkčnosť a bezpečnosť posuvných dverí.
- Dôkladná príprava montáže výrazne zjednoduší celý proces a zníži riziko chýb počas inštalácie. Pred samotnou montážou je dôležité skontrolovať všetky komponenty kovania a overiť, či podklad unesie plánovanú záťaž.
- Presné zarovnanie koľajnice je základom pre plynulý a tichý chod posuvných dverí.
- Upevnenie držiakov je kľúčové pre stabilitu celého mechanizmu.
- Po dokončení montáže je nevyhnutné otestovať chod dverí a odstrániť prípadné nedostatky.
K montáži je potrebná dostatočne zručná osoba, ktorá má skúsenosť s podobným druhom montáže.

Pravidelná údržba
Pravidelná údržba zabezpečí, že kovanie na posuvné dvere zostane tiché, plynulé a spoľahlivé mnoho rokov.
- Starostlivosť o koľajnicu, vozíky a upevňovacie prvky predchádza zadrhávaniu a nadmernému opotrebovaniu.
- Mazanie a čistenie koľajnice patrí medzi najdôležitejšie úkony údržby. Koľajnicu je vhodné mazať približne každých 6-12 mesiacov podľa intenzity používania. Najlepšie fungujú silikónové alebo teflónové mazivá, ktoré nezachytávajú prach.
- Pravidelná kontrola skrutiek a držiakov je kľúčová pre stabilitu celého kovania.
- Opotrebované kolieska alebo dorazy môžu spôsobiť nepravidelný pohyb, zvýšenú hlučnosť alebo zadrhávanie dverí. Preto je dôležité včas rozpoznať príznaky opotrebovania a poškodené komponenty vymeniť.

Montáž posuvných dverí svojpomocne
Riešenie bežných problémov
Aj napriek správnemu výberu a montáži sa môžu vyskytnúť problémy. Tu je niekoľko rád, ako ich riešiť.
- Najčastejšou príčinou [problému s posuvnými dverami] je zanesená alebo suchá koľajnica. Stačí ju vyčistiť a aplikovať vhodné mazivo.
- Príčinou môže byť nesprávne zarovnanie koľajnice alebo vozíkov. Pomôže kontrola roviny, dotiahnutie spojov a nastavenie dorazov.
- Dorazy treba umiestniť na konce koľajnice tak, aby sa dvere zastavili v bezpečnej vzdialenosti. Správne nastavenie chráni dvere aj stenu pred poškodením.
- Tlmenie zabezpečí tichý a kontrolovaný koniec pohybu dverí. Hodí sa najmä pri ťažších dverách alebo v domácnostiach, kde sa dvere používajú často.
